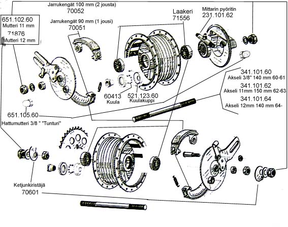
Etunapa M-64, Takanapa M-63


Takaisin

Copyrighted Material © PY, 2015