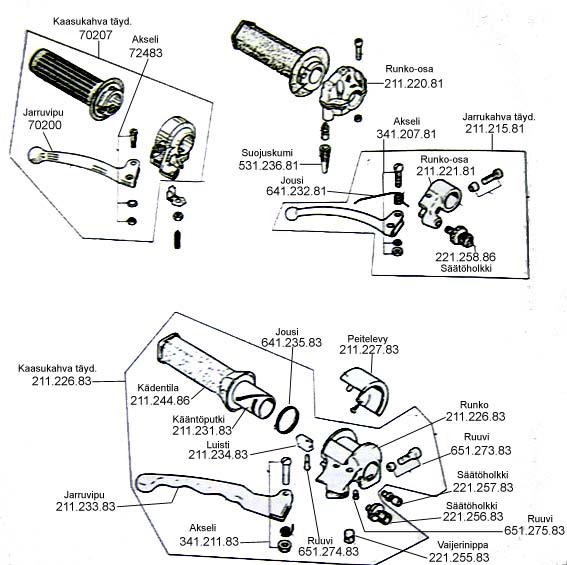
Kaasukahva


Takaisin

Copyrighted Material © PY, 2015