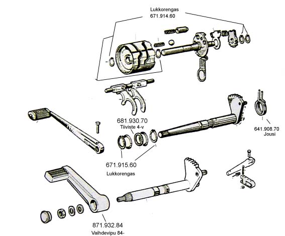
Vaihteensiirrin 3- ja 4-v.


Takaisin

Copyrighted Material © PY, 2015